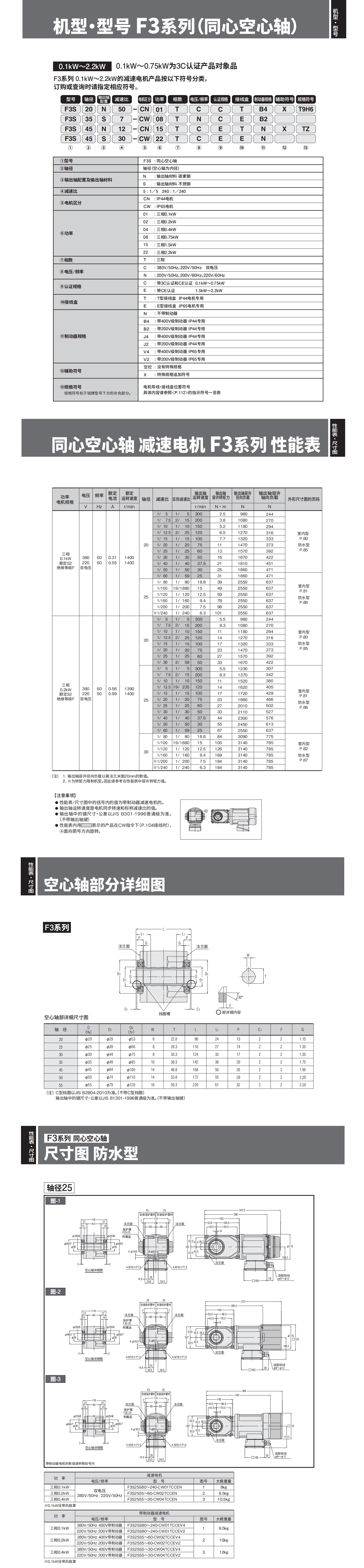
日本GTR日精同心空心軸/實心軸F3S減速電機0.1KW~2.2KW:F3S-20-N-50-CN-01-T-C-C-T-B4-X-T9H6,F3S-35-S-7-CW-08-T-N-C-E-B2,F3S-45-N-12-CN-15-T-C-E-T-N-X-TZ,F3S-45-S-30-CW-22-T-C-E-E-N等各種型號的日精同心空心軸/實心軸減速電機

關于我們
凌圣機電科技有限公司(LSPTC),專注為中國制造業提供德國、日本及歐盟原裝進口工業品配件、技術支持和解決方案,擁有近18年的工業品配件供應、技術支持與解決方案提供經驗,目前已獲得德國NELION萬向傳動軸 、德國ELBE萬向傳動軸、德國Sentasy液位傳感器、德國Wippermann鏈條、德國Murtfeldt鏈條導軌、瑞典ETP液壓聯軸器、日本椿本TSUBAKI鏈條、日本日精Nissei GTR減速機、韓國SPG減速電機、臺灣東元電機減速機等品牌官方授權代理證書
主營產品
德國NELION萬向傳動軸 德國ELBE萬向傳動軸、德國Wippermann鏈條、德國Murtfeldt鏈條導軌、椿本TSUBAKI鏈條、日本日精Nissei GTR減速機、美國Diamond鉆石鏈條 韓國SPG減速電機、瑞典ETP液壓聯軸器 臺灣東元電機減速機 德國KTR聯軸器 德國HS管接頭 住友SUMITOM減速機 德國Sentasy液位傳感器